ISO 4016 Sechskantschrauben mit Schaft und Mutter nach ISO 4034

Diese Rubrik enthält aktuell keine Artikel

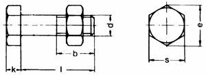
Technische Maße für ISO 4016 Sechskantschrauben mit Schaft und Mutter nach ISO 4034

Legende:
d
= Durchmesser metrisches Gewinde (M) (Nennmaß)
k
= Höhe-Kopf
s
= Antrieb-Schlüsselweite
b1 (l < 125 mm)
= Länge-Gewinde
b2 (l < 200 mm)
= Länge-Gewinde
b3 (l > 200 mm)
= Länge-Gewinde

d M 10 M 12 M 14 M 22
s 16 18 21 34
k 6,4 7,5 8,8 14
b1 (l < 125 mm) 26 30 34 50
b2 (l < 200 mm) 32 36 40 56
b3 (l > 200 mm) 45 49 53 69

sind Schrauben mit Gewinde, bei denen der Kopf in Form eines Außensechskant geformt wurde. Sie sind das TOP-Produkt im Schraubenhandel. Die Schraube hat ein Teilgewinde - also einen gewindelosen Schaft sowie ein daran anschließendes Gewinde. Produktionsbedingt kann ein kleiner gewindeloser Spalt zwischen Kopfunterseite und Gewinde vorhanden sein. Sie besitzen keinen Antrieb im Kopf, hier ist der Kopf selbst der Antrieb der Schraube. Sie wird mit einem Ring- oder Gabelschlüssel bewegt. Sechskantschrauben mit Teilgewinde werden häufig im Maschinen- und Anlagenbau, bei Autos, Motorrädern, Landmaschinen, LKWs oder in der Mess- und Elektrotechnik verwendet. Diese Schrauben werden zusammen mit einer passenden Stückzahl Sechskantmuttern nach ISO 4034 geliefert.

 

ISO-Schlüsselweite im Vergleich zu DIN

Bei der ISO-Norm wurden geringere Schlüsselweiten der Muttern vorgeschrieben. Ziel war es, Material in der weltweiten Produktion zu sparen. Das Gewinde ist bei beiden Normen jedoch identisch.

 

Besonderheiten bei Teilgewinde-Schrauben

Das Gewinde reicht nicht bis zum Kopf. Diese Schrauben bestehen aus dem Gewindeteil und einem gewindelosen Schaft. Die exakte Gewindelänge ist zwar grundsätzlich genormt, jedoch ist es heute meist dem Hersteller überlassen, die lange der Schaft produziert wird, da die DIN-Normen abgekündigt sind. Teilgewinde-Sechskantschrauben werden in größeren Längen produziert als die Vollgewinde-Schrauben, dafür aber finden Sie in Teilgewinde keine extrem kurzen Sechskantschrauben.

 

Vorteile von ISO 4016 Sechskantschrauben mit Schaft und Mutter nach ISO 4034

Anders als bei Schrauben mit Schlitz oder Kreuzschlitz können Außensechskantschrauben auch eingesetzt werden, wenn der Schraubenkopf von oben nicht mehr erreichbar ist. Außerdem eignen sich Sechskantschrauben durch die relativ geringe Kopfhöhe, wenn Platzmangel herrscht.

Alle Angaben ohne Gewähr, Gewährleistung oder Haftung.


Version 3.24.2 - Servername: WEBAPP12


 
 Warenkorb
Zur Kasse | Drucken
 
Ihr Warenkorb ist leer

DIN 9021 Scheiben, Außendurchmesser = 3x Schraubendurchmesser

DIN 9021 Scheiben, Außendurchmesser = 3x Schraubendurchmesser
 
Artikel-Nr. 1556-216
Werkstoff ROSTFREI A2
Norm DIN 9021
Abmessung 10,5 f. M 10

DIN 1475 Knebelkerbstifte

DIN 1475 Knebelkerbstifte
 
Artikel-Nr. 4373-013
Werkstoff ROSTFREI A1
Norm DIN 1475
Abmessung 5 x 30

Art. ENSAT-Gewindeeinsätze Typ 302, Original

Art. ENSAT-Gewindeeinsätze Typ 302, Original
 
Werkstoff alle
Norm Art. 81832
Abmessung M4
Unsere App - jetzt online!
Die Wegertseder-App: Immer und überall bequem bestellen
Zertifizierung

Kundenbewertungen (2.118)
So entstehen unsere Kundenbewertungen

Unsere Kundenbewertungen einschließlich der Sternebewertungen können nur nach Bestellabschluss erstellt werden.

Dadurch ist sichergestellt, dass unser Bestellprozess, unser Service sowie unsere Produkte von echten Kunden bewertet werden, die ihre Erfahrungen mit ihnen teilen möchten.


"ja, alle beim THW finden den Shop toll ;-)"
-

"es gibt keine z.B. Abstandshülsen Sehr gut sind die DIN/ISO Pdfs der Materialdaten "
- Matthias Zander

"Klasse...weiter so!!!!!!!"
-

"Kaufe seit 6 Jahren bei Wegertsender, bin immer zufrieden. Top"
-

"Vor vielen Jahren habe ich das erste Mal bei Ihnen bestellt und war sehr zufrieden. Jetzt habe ich - endlich - ein Kundenkonto angelegt."
- Jürgen Schmidt

Unsere Cookie-Richtlinien

Wir nutzen Cookies, um unsere Seite für Sie bestmöglich zu gestalten und dauerhaft zu verbessern. Weitere Informationen erhalten Sie in unserer Datenschutzerklärung. Ohne Ihre Zustimmung werden nur technisch notwendige Cookies verwendet.
AKZEPTIEREN
ABLEHNEN