Art. DUBO-Profilscheiben für Zylinderschrauben mit Innensechskant

DUBO-Profilscheiben für Zylinderschrauben mit Innensechskant sind Schnellbefestigungs-Elemente zur Sicherung von Zylinderschrauben. Durch das runde Innenloch wird die Scheibe auf die Schraube gesteckt. Wir liefern dieses Produkt in Kunststoff naturfarben.


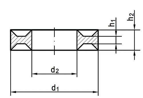
Technische Maße für Art. DUBO-Profilscheiben für Zylinderschrauben mit Innensechskant

Legende:
d1
= Durchmesser-Außen
h2
= Stärke / Höhe
h1
= Stärke / Höhe
Maße
= Durchmesser-Innen für metrisches Maß (M)
d2
= Durchmesser-Innen

Maße M 4 M 5 M 6 M 8 M 10 M 12 M 16 M 20
d1 7,7 9,8 10,5 14 17 19 25 31,5
d2 4,1 5,15 6,1 8,1 10,2 12,2 16,2 20,2
h2 2 3 2,5 3,3 3,8 4,4 5,6 6,5
h1 0,8 2 1 1,5 1,5 2 2 2,5

weitere Informationen

Alle Angaben ohne Gewähr, Gewährleistung oder Haftung.


Version 3.24.2 - Servername: WEBAPP11


 
 Warenkorb
Zur Kasse | Drucken
 
Ihr Warenkorb ist leer

DIN 912 Zylinderschrauben, mit Innensechskant

DIN 912 Zylinderschrauben, mit Innensechskant
 
Artikel-Nr. 2524-019
Werkstoff STAHL 8.8 - verzinkt
Norm DIN 912
Abmessung M 4 x 10

DIN 7504 Bohrschrauben P mit Senkkopf, Blechschraubengewinde PZ-Kreuzschlitz

DIN 7504 Bohrschrauben P mit Senkkopf, Blechschraubengewinde PZ-Kreuzschlitz
 
Artikel-Nr. 4265-010
Werkstoff ROSTFREI A2
Norm DIN 7504Z
Abmessung P 4,8 x 60 Z
Hier finden Sie das zuletzt angesehene Produkt
Unsere App - jetzt online!
NEU im Sortiment: Zusätzlich über 15.000 neue Kleinmengen
Zertifizierung

Kundenbewertungen (2.155)
So entstehen unsere Kundenbewertungen

Unsere Kundenbewertungen einschließlich der Sternebewertungen können nur nach Bestellabschluss erstellt werden.

Dadurch ist sichergestellt, dass unser Bestellprozess, unser Service sowie unsere Produkte von echten Kunden bewertet werden, die ihre Erfahrungen mit ihnen teilen möchten.


"Passt soweit alles."
-

"Ich kaufe nun schon sehr lange bei Schrauben Wegertseder ein. Die Lieferung war immer sehr schnell und die Ware war wie beschrieben in hervorragender Qualität."
- Hartmund Lawrenz

"Passt alles, was angeboten wird wird auch geliefert und das sehr schnell. Sehr gute Qualität"
- Klaus Lauber

"Sehr freundlicher Kontakt mit Frau Stockbauer. Danke für die Hilfe."
-

"Meine erste Adresse!"
- Heiner Schnorrenberg

Unsere Cookie-Richtlinien

Wir nutzen Cookies, um unsere Seite für Sie bestmöglich zu gestalten und dauerhaft zu verbessern. Weitere Informationen erhalten Sie in unserer Datenschutzerklärung. Ohne Ihre Zustimmung werden nur technisch notwendige Cookies verwendet.
AKZEPTIEREN
ABLEHNEN