Art. Thermoplastschrauben 60°, Senkkopf, PZ-Kreuzschlitz

Leichtmetallschrauben Senkkopf, POZIDRIV-Kreuzschlitz PZ, 60° werden auch als Thermoplaste-Schrauben bezeichnet und dienen dazu, Kunststoffe miteinander oder Bauteile in Kunststoffen oder Aluminium zu verschrauben. Oft werden so Gehäuse oder Bauteile im Maschinenbau oder der Elektrotechnik verbunden. Für Kunststoffe sollten tunlichst diese Thermoplasteschrauben verwendet werden, da bei Holz- oder Blechschrauben Beschädigungen oder Risse im Material entstehen können. Diese Schrauben eignen sich für Aluminium. Sie haben einen Pozidriv-Kreuzschlitz PZ, der mit PZ-Bits oder PZ-Schraubendrehern verarbeitet werden kann. Der Senkkopf verschwindet, wenn vorgesenkt wurde, eben mit dem Untergrund. mehr ...


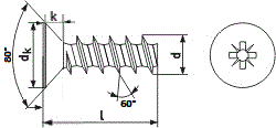
Technische Maße für Art. Thermoplastschrauben 60°, Senkkopf, PZ-Kreuzschlitz

Legende:
d mm
= Durchmesser metrisches Gewinde (M) (Nennmaß)
dk max.
= Durchmesser-Kopf
k max.
= Höhe-Kopf
Antrieb-PZ
= Antrieb-Pozidriv-Kreuzschlitz (PZ)

d mm 3,0 3,5
dk max. 5,7 7,0
k max. 1,7 2,1
t min. 1,75 1,85
t max. 2,01 2,31
Antrieb-PZ 1 2

weitere Informationen

 

Eigenschaften der Thermoplasteschrauben

Das Gewinde von Thermoplasteschrauben ist relativ grob. Die Gewindesteigung 30° wird für Weichkunststoffe verwendet, während die Gewindesteigung von 60° auch für Aluminium geeignet ist. Die Schrauben haben keine Spitze und sind unten flach. Dadurch muss vorgebohrt werden.  Als Kopfform werden neben dem Senkkopf vor allem der Linsenkopf eingesetzt. Als Schrauben-Antriebe gibt es sowohl PZ-Kreuzschlitz als auch Innensechsrund (TX).

Alle Angaben ohne Gewähr, Gewährleistung oder Haftung.


Version 3.24.2 - Servername: WEBAPP12


 
 Warenkorb
Zur Kasse | Drucken
 
Ihr Warenkorb ist leer

DIN 912 Zylinderschrauben, mit Innensechskant

DIN 912 Zylinderschrauben, mit Innensechskant
 
Artikel-Nr. 2524-020
Werkstoff STAHL 8.8 - verzinkt
Norm DIN 912
Abmessung M 4 x 12

Art. Senkkopf -Spanplattenschrauben Fräsrippen, Schneidkerbe, Innensechsrund (TX)

Art. Senkkopf -Spanplattenschrauben Fräsrippen, Schneidkerbe, Innensechsrund (TX)
 
Artikel-Nr. 4287-016
Werkstoff ROSTFREI A4
Norm Art. 81928
Abmessung 4,5 x 65 TX

DIN 985 Sechskantmuttern, Polyamidklemmteil, niedrige Form (=Standard)

DIN 985 Sechskantmuttern, Polyamidklemmteil, niedrige Form (=Standard)
 
Artikel-Nr. 4552-217
Werkstoff STAHL 8 - verzinkt dickschichtpassiviert
Norm DIN 985
Abmessung M 16
Unsere App - jetzt online!
NEU im Sortiment: Zusätzlich über 15.000 neue Kleinmengen
Zertifizierung

Kundenbewertungen (2.152)
So entstehen unsere Kundenbewertungen

Unsere Kundenbewertungen einschließlich der Sternebewertungen können nur nach Bestellabschluss erstellt werden.

Dadurch ist sichergestellt, dass unser Bestellprozess, unser Service sowie unsere Produkte von echten Kunden bewertet werden, die ihre Erfahrungen mit ihnen teilen möchten.


"ich sags immer wieder NICHTS ändern! Ihr seid TOP!! Euer Versand ist der absolute OBERHAMMER * * * * *"
- Uwe Krippner

"Ich bin immer wieder bestens bedient! Danke"
- Erik Fischer

"Einfacher Bestellprozess wenn man mal herausgefunden hat, wie man wieder auf die Startseite mit der Produktübersicht zurückkommt... Hier wäre ein dauerhafter Link in der Navigationsspalte links hilfreich."
-

"Hervorragend!"
-

"Sehr guter Kundenservice "
-

Unsere Cookie-Richtlinien

Wir nutzen Cookies, um unsere Seite für Sie bestmöglich zu gestalten und dauerhaft zu verbessern. Weitere Informationen erhalten Sie in unserer Datenschutzerklärung. Ohne Ihre Zustimmung werden nur technisch notwendige Cookies verwendet.
AKZEPTIEREN
ABLEHNEN