Art. KORREX-Isolierhülsen

KORREX-Isolierhülsen sind sonstige Schraubensicherungen. Sie sind aus naturfarbenem Kunststoff hergestellt, verfügen über einen großen flachen Kopf und ein rundes Innenloch.


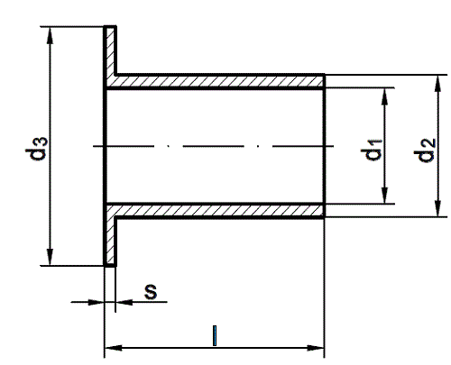
Technische Maße für Art. KORREX-Isolierhülsen

Legende:
s
= Stärke (Blech)
d2
= Durchmesser-Außen
Maße (d)
= Durchmesser-Innen für metrisches Maß (M)
d1
= Durchmesser-Innen
l
= Länge
d3
= Durchmesser-Kopf

Maße (d)M 4 x 10M 4 x 15M 4 x 20M 5 x 10M 5 x 15M 5 x 20M 6 x 10M 6 x 15M 6 x 20M 8 x 10M 8 x 15M 8 x 22M 10 x 10
für SchraubenM 4M 4M 4M 5M 5M 5M 6M 6M 6M 8M 8M 8M 10
l10152010152010152010152210
d14,34,34,35,35,35,36,56,56,58,28,28,210,2
d25,85,85,86,86,86,888810,410,410,412,5
d39,59,59,512121213131318181821
s1111111111111
Maße (d)M 10 x 20M 10 x 25M 12 x 15M 12 x 25M 16 x 10M 16 x 15M 16 x 20M 16 x 25M 20 x 15M 20 x 20M 20 x 25  
für SchraubenM 10M 10M 12M 12M 16M 16M 16M 16M 20M 20M 20  
l2025152510152025152025  
d110,210,212,312,316,316,316,316,320,320,320,3  
d212,512,5151519,319,319,319,323,323,323,3  
d32121242430303030363636  
s11112222222  

weitere Informationen

Alle Angaben ohne Gewähr, Gewährleistung oder Haftung.


Version 3.24.2 - Servername: WEBAPP11


 
 Warenkorb
Zur Kasse | Drucken
 
Ihr Warenkorb ist leer

DIN 934 Sechskantmuttern

DIN 934 Sechskantmuttern
 
Artikel-Nr. 2896-158
Werkstoff ROSTFREI A2
Norm DIN 934
Abmessung M 8

Art. PAN-HEAD-Spanplattenschrauben, Innensechsrund (TX), Importware

Art. PAN-HEAD-Spanplattenschrauben, Innensechsrund (TX), Importware
 
Artikel-Nr. 4283-011
Werkstoff ROSTFREI A4
Norm Art. 81900
Abmessung 4 x 55 TX
Hier finden Sie das zuletzt angesehene Produkt
Unsere App - jetzt online!
NEU im Sortiment: Zusätzlich über 15.000 neue Kleinmengen
Zertifizierung

Kundenbewertungen (2.155)
So entstehen unsere Kundenbewertungen

Unsere Kundenbewertungen einschließlich der Sternebewertungen können nur nach Bestellabschluss erstellt werden.

Dadurch ist sichergestellt, dass unser Bestellprozess, unser Service sowie unsere Produkte von echten Kunden bewertet werden, die ihre Erfahrungen mit ihnen teilen möchten.


"Anmerkung zur letzten Frage: bereits mehrfach weiterempfohlen"
-

"Wegertseder = Klasse Sortiment, übersichtlich, preiswert."
-

"Bin zufrieden, hat immer aller geklappt -:) "
-

"Hallo, für unseren kleinen Betrieb ist soweit alles in Ordnung. Wir sind sicher kein großer, aber ein langjähriger Kunde. Bitte weiter so. Thomas H. "
-

"Weiter so !"
-

Unsere Cookie-Richtlinien

Wir nutzen Cookies, um unsere Seite für Sie bestmöglich zu gestalten und dauerhaft zu verbessern. Weitere Informationen erhalten Sie in unserer Datenschutzerklärung. Ohne Ihre Zustimmung werden nur technisch notwendige Cookies verwendet.
AKZEPTIEREN
ABLEHNEN