DIN 6319 Kegelpfannen vergütet Form G, (> 350 HV 30)

DIN 6319 Kegelpfannen vergütet Form G sind sonstige Unterlagscheiben, welche rund sind. Die Kegelpfanne liegt flach auf und hat eine versenkte Aussparung in der Mitte. DIN 6319 Kegelpfannen Form G vergütet liefern wir in Stahl einsatzgehärtet.


Technische Maße für DIN 6319 Kegelpfannen vergütet Form G, (> 350 HV 30)

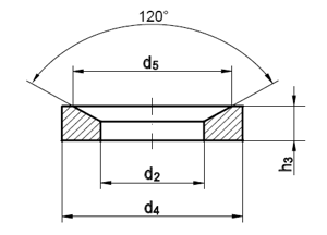
Legende:
Maße
= Durchmesser-Innen (Nennmaß)
d4
= Durchmesser-Außen
h3
= Stärke / Höhe

Maße 12 14,2 19 23,2 28 35
d4 30 36 44 50 60 68
d5 18,5 20 26 31 37 49
h3 5 6 7 8 10 12

weitere Informationen

Alle Angaben ohne Gewähr, Gewährleistung oder Haftung.


Version 3.24.2 - Servername: WEBAPP12


 
 Warenkorb
Zur Kasse | Drucken
 
Ihr Warenkorb ist leer

DIN 985 Sechskantmuttern, Polyamidklemmteil, niedrige Form (=Standard)

DIN 985 Sechskantmuttern, Polyamidklemmteil, niedrige Form (=Standard)
 
Artikel-Nr. 3340-150
Werkstoff STAHL 6/8 - verzinkt
Norm DIN 985
Abmessung M 8

ISO 7380 Flachkopfschrauben mit Innensechsrund (TX)

ISO 7380 Flachkopfschrauben mit Innensechsrund (TX)
 
Artikel-Nr. 4251-023
Werkstoff ROSTFREI A4
Norm ISO 7380TX
Abmessung M 2,5 x 20 TX
Hier finden Sie das zuletzt angesehene Produkt
Unsere App - jetzt online!
NEU im Sortiment: Zusätzlich über 15.000 neue Kleinmengen
Zertifizierung

Kundenbewertungen (2.153)
So entstehen unsere Kundenbewertungen

Unsere Kundenbewertungen einschließlich der Sternebewertungen können nur nach Bestellabschluss erstellt werden.

Dadurch ist sichergestellt, dass unser Bestellprozess, unser Service sowie unsere Produkte von echten Kunden bewertet werden, die ihre Erfahrungen mit ihnen teilen möchten.


"Bin sehr zufrieden. Habe Euch auch schon weiterempfohlen."
-

"Es funktioniert einfach, im wahsten Sinne des Wortes - Vielen Dank dafür."
-

"Weiter so !"
-

"Bitte Bitte Bitte so lassen!! Nix ändern!!"
- Uwe Krippner

"Ihr seid prima! Die schnelle Lieferung spart Lagerkosten. Auch die Maßübersichten sind prima! Grade bei Normteilen ist es schön, so einen verläßlichen Lieferanten zu haben - eine Sorge weniger! "
-

Unsere Cookie-Richtlinien

Wir nutzen Cookies, um unsere Seite für Sie bestmöglich zu gestalten und dauerhaft zu verbessern. Weitere Informationen erhalten Sie in unserer Datenschutzerklärung. Ohne Ihre Zustimmung werden nur technisch notwendige Cookies verwendet.
AKZEPTIEREN
ABLEHNEN