DIN 1477 Senkkerbnägel
ähnlich ISO 8747 Senkkerbnägel: keine gravierenden Änderungen

sind gewindelose Stifte mit einem Senkkopf, die ähnlich einer Niete sind. Der gewindelose Schaft ist mit Kerben versehen, welche den DIN 1477 Senkkerbnagel im Bohrloch fixieren und eine sichernde Wirkung entfalten. Der Kopf verschwindet, wenn er vorgesenkt wurde, im Material. mehr ...


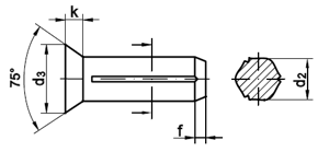
Technische Maße für DIN 1477 Senkkerbnägel

Legende:
Maße (d)
= Durchmesser (Nennmaß)
f
= Länge-Zapfen
k
= Höhe-Kopf
d3
= Durchmesser-Kopf
d2
= Durchmesser (aufgeweitet)

Maße (d) 2 3 4 5 6
d2 2,15 3,20 4,25 5,25 6,30
d3 3,5 5,2 7 8,8 10,5
k 1 1,4 2 2,5 3
f 0,5 1 1,15 1,15 2

weitere Informationen

 

Werkstoffe von DIN 1477 Halbrundkerbnägeln

DIN 1477 Halbrundkerbnägel werden in Stahl blank, Aluminium, Messing oder nicht rostendem Edelstahl Rostfrei A2 angeboten. Dieser eignet sich besonders dann, wenn Kontakt mit Luft oder kurzer Kontakt mit Wasser besteht.

Alle Angaben ohne Gewähr, Gewährleistung oder Haftung.


Version 3.24.2 - Servername: WEBAPP11


 
 Warenkorb
Zur Kasse | Drucken
 
Ihr Warenkorb ist leer

DIN 912 Zylinderschrauben, mit Innensechskant

DIN 912 Zylinderschrauben, mit Innensechskant
 
Artikel-Nr. 2524-043
Werkstoff STAHL 8.8 - verzinkt
Norm DIN 912
Abmessung M 5 x 16

DIN 933 Sechskantschrauben, Gewinde bis Kopf

DIN 933 Sechskantschrauben, Gewinde bis Kopf
 
Artikel-Nr. 4415-028
Werkstoff ROSTFREI A2-80
Norm DIN 933
Abmessung M 16 x 45
Hier finden Sie das zuletzt angesehene Produkt
Unsere App - jetzt online!
NEU im Sortiment: Entdecken Sie die SPAX-Vielfalt bei Wegertseder
Zertifizierung

Kundenbewertungen (2.159)
So entstehen unsere Kundenbewertungen

Unsere Kundenbewertungen einschließlich der Sternebewertungen können nur nach Bestellabschluss erstellt werden.

Dadurch ist sichergestellt, dass unser Bestellprozess, unser Service sowie unsere Produkte von echten Kunden bewertet werden, die ihre Erfahrungen mit ihnen teilen möchten.


"ich sags immer wieder NICHTS ändern! Ihr seid TOP!! Euer Versand ist der absolute OBERHAMMER * * * * *"
- Uwe Krippner

"Bestelle jetzt schon seit Jahren, noch nie eine Reklamation. Weiter so."
-

"gern wieder"
- Sven Wallasch

"Ihr seid prima! Die schnelle Lieferung spart Lagerkosten. Auch die Maßübersichten sind prima! Grade bei Normteilen ist es schön, so einen verläßlichen Lieferanten zu haben - eine Sorge weniger! "
-

"Bin seit Jahren Kunde bei Ihnen und war bisher immer zufrieden..."
- Wolfgang Kehl

Unsere Cookie-Richtlinien

Wir nutzen Cookies, um unsere Seite für Sie bestmöglich zu gestalten und dauerhaft zu verbessern. Weitere Informationen erhalten Sie in unserer Datenschutzerklärung. Ohne Ihre Zustimmung werden nur technisch notwendige Cookies verwendet.
AKZEPTIEREN
ABLEHNEN