DIN 1444 Splint-Bolzen mit Kopf und Loch
ähnlich ISO 2341 Splint-Bolzen mit Kopf, B= mit Loch, Passung h11: keine gravierenden Änderungen

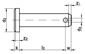
DIN 1444 Splint-Bolzen mit Kopf, B= mit Loch sind gewindelose Bolzen mit großem, flachen Kopf. An der Unterseite des Bolzenschafts ist ein Loch gebohrt (Form B). Dieser Bolzen wird in ein Bohrloch eingebracht und mit einem Split (DIN 94) gesichert, weshalb er sich nicht mehr aus dem Loch lösen kann. mehr ...


Technische Maße für DIN 1444 Splint-Bolzen mit Kopf und Loch

Legende:
d3
= Durchmesser-Bohrung
z1 max
= Länge-Fase
z2
= Länge-Fase
k
= Höhe-Kopf
Maße (d)
= Durchmesser (Nennmaß)
d2
= Durchmesser-Kopf

Maße (d) 8 10 12 16 18 20
d2 14 18 20 25 28 30
d3 2 3,2 3,2 4 5 5
k 3 4 4 4,5 5 5
w 3,5 4,5 5,5 6 7 8
z1 max 2 2 3 3 3 4
z2 1 1 1,6 1,6 1,6 2
für Splint 2 3,2 3,2 4 5 5

weitere Informationen

 

Verwendung von Spint-Bolzen DIN 1444

Diese Split-Bolzen werden vor allem im Maschinen- und Anlagenbau verwendet. Sie werden in Stahl galvanisch verzinkt geliefert.

Alle Angaben ohne Gewähr, Gewährleistung oder Haftung.


Version 3.24.2 - Servername: WEBAPP12


 
 Warenkorb
Zur Kasse | Drucken
 
Ihr Warenkorb ist leer

DIN 934 Sechskantmuttern

DIN 934 Sechskantmuttern
 
Artikel-Nr. 2888-012
Werkstoff STAHL 8 - verzinkt
Norm DIN 934
Abmessung M 5

Art. Senkkopf -Spanplattenschrauben Fräsrippen, Schneidkerbe, Innensechsrund (TX)

Art. Senkkopf -Spanplattenschrauben Fräsrippen, Schneidkerbe, Innensechsrund (TX)
 
Artikel-Nr. 4291-015
Werkstoff ROSTFREI A2
Norm Art. 81928
Abmessung 4 x 65 TX
Hier finden Sie das zuletzt angesehene Produkt
Unsere App - jetzt online!
NEU im Sortiment: Zusätzlich über 15.000 neue Kleinmengen
Zertifizierung

Kundenbewertungen (2.162)
So entstehen unsere Kundenbewertungen

Unsere Kundenbewertungen einschließlich der Sternebewertungen können nur nach Bestellabschluss erstellt werden.

Dadurch ist sichergestellt, dass unser Bestellprozess, unser Service sowie unsere Produkte von echten Kunden bewertet werden, die ihre Erfahrungen mit ihnen teilen möchten.


"Wie immer schnell und gut, bitte weitermachen so"
-

"Gehört zu den Standardshops auf meiner Online-Einkaufsliste! Hier finde ich schnell, was ich suche!"
- Hans-Karl Becker

"Anmerkung zur letzten Frage: bereits mehrfach weiterempfohlen"
-

"Bin absolut zufrieden, Danke, dass Sie auch relative Kleinaufträge für Privatkäufer ermöglichen.BesteGrüße,SOH"
- Sven-Oliver Henkel

"Vor vielen Jahren habe ich das erste Mal bei Ihnen bestellt und war sehr zufrieden. Jetzt habe ich - endlich - ein Kundenkonto angelegt."
- Jürgen Schmidt

Unsere Cookie-Richtlinien

Wir nutzen Cookies, um unsere Seite für Sie bestmöglich zu gestalten und dauerhaft zu verbessern. Weitere Informationen erhalten Sie in unserer Datenschutzerklärung. Ohne Ihre Zustimmung werden nur technisch notwendige Cookies verwendet.
AKZEPTIEREN
ABLEHNEN