DIN 3404 Flachschmiernippel mit rundem Kopf, mit Sechskantantrieb, Rohrgewinde G

DIN 3404 Flachschmiernippel mit rundem Kopf, Rohrgewinde G haben einen runden Kopf mit oben und unten anliegendem Sechskantansatz. Das Gewinde ist ein Rohrgewinde G. Im Gegensatz zum Regelgewinde hat Rohrgewinde G je Zentimeter mehr Gewindegänge; es hält somit fester und dichtet besser ab. mehr ...


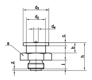
Technische Maße für DIN 3404 Flachschmiernippel mit rundem Kopf, mit Sechskantantrieb, Rohrgewinde G

Legende:
h max
= Höhe-Gesamt
b
= Höhe-Kopf
Maße (d)
= Durchmesser für metrisches Maß (M) (Nennmaß)
s
= Antrieb-Schlüsselweite (SW)
d4 min
= Durchmesser-Kugel
c
= Höhe-Ansatz
z
= Länge-Zapfen
l
= Länge-Gewinde
d2
= Durchmesser-Schaft
d3
= Durchmesser-Kopf

Maße (d) M 6x1 M 6x1 M 8x1 M 8x1 M 10x1 M 16x1,5 G 1/4 G 1/4 G 3/8
b 4,8 6,5 4,8 6,5 6,5 8,5 6,5 8,5 8,5
c 1,7 2,0 1,7 2,0 2,0 3,0 2,0 3,0 3,0
d2 7,2 12 7,2 12 12 18 12 18 18
d3 10 16 10 16 16 22 16 22 22
d4 min 1,5 1,5 2,5 2,5 2,9 5,0 2,9 5,0 5,0
h max 13 17 13,7 16,7 17,6 23,1 16 22 22
l 4,9 5,3 4,9 5,3 5,5 7,5 5,5 7,5 7,5
s 11 17 11 18 17 22 17 22 22

weitere Informationen

 

Aufbau und Form von DIN 3404 Flachschmiernippel mit rundem Kopf, FEIN-Gewinde

Flachschmiernippel sind kleine Stutzen, über die ein Lager mithilfe einer Festpresse mit Schmierstoff versorgt wird. Diesen Vorgang nennt man auch 'Abschmieren'. Am ehesten kann man Schmiernippel zu den Schrauben zählen, weil sie am unteren Ende ein Außengewinde haben, welches in ein passend gebohrtes Innengewinde eingeschraubt wird. Die Oberseite des Schmiernippels hat aber keine Ähnlichkeit mit einem Schraubenkopf. Im Inneren des Schmiernippels liegt eine Lagerkugel, welche das Öffnen und Schließen ermöglicht. Über einen Außensechskant kann der Schmiernippel z. B. mit einem Ring- oder Gabelschlüssel oder einer Stecknuss angezogen werden.

 

Wie sind DIN 3404 Flachschmiernippel genormt?

Die zweite Variante neben den Kegelschmiernippeln sind DIN 3404 Flachschmiernippel. Sie haben oben einen flachen runden Kopf und eignen sich für Anwendungen, wo wenig Platz ist. Flachschmiernippel eignen sich auch für den versenkten Einbau.

 

Wie funktioniert ein DIN 3404 Flachschmiernippel?

Der Zweck von Schmiernippeln ist es, gleitbare Teile mit Schmierstoff zu versorgen und, den Schmierstoff in der Maschine zu behalten. Über eine Fettpresse wird die Lagerkugel in den Schmiernippel gedrückt, die innenliegende Haltefeder wird zusammengedrückt. Dadurch kann über Druck an der Fettpresse Schmierstoff über den Schmiernippel ins Innere der Maschine gelangen. Sobald man die Fettpresse wieder vom Schmiernippel löst, schließt der Druck der Haltefeder die Lagerkugel und der Schmiernippel wird wieder geschlossen. Dadurch wird der Inhalt der Maschine vor Verschmutzung geschützt und der Schmierstoff am Herausfließen gehindert.

Alle Angaben ohne Gewähr, Gewährleistung oder Haftung.


Version 3.25.2 - Servername: WEBAPP11