DIN 927 Zapfenschrauben mit Schlitz

sind eine sehr spezielle Gewindeschraube und haben ein metrisches Regelgewinde (M), deshalb der Name Gewindeschraube. Heutzutage werden Schlitzschrauben nur noch selten, meist in historischen Anwendungen oder wenn die Schlitzform explizit gewünscht ist, verwendet. Neuere Antriebe wie Kreuzschlitze oder Innensechsrund (TX)® werden von den meisten Kunden in der Verarbeitung als angenehmer empfunden - so kann man dort z. B. nicht so leicht abrutschen wie am Schlitz. mehr ...


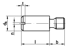
Technische Maße für DIN 927 Zapfenschrauben mit Schlitz

Legende:
dk
= Durchmesser-Kopf
b
= Länge-Gewinde
Maße
= Durchmesser für metrisches Maß (M) (Nennmaß)
n
= Antrieb-Schlitz-Breite (SZ)
t max
= Antrieb-Schlitz-Tiefe (SZ)

Maße M 3 M 4 M 5 M 6 M 8
dk 4 5,5 6,5 8 10
b 4,5 6 7 8 11
n 0,5 0,6 0,8 1 1,2
t max 1,05 1,42 1,63 2,0 1,9

weitere Informationen

 

Besonderheit der DIN 927 Zapfenschrauben mit Schlitz

An diesen Schrauben besonders ist der Kopf, der als zylindrischer Zapfen mit Schlitz ausgeformt ist.  Der Kopf ist längsseits geschlitzt und rund. Die Zapfenschraube eignet sich für Anwendungen im Maschinen- und Anlagenbau oder der Elektroindustrie, wo wenig Platz ist. Außerdem haben diese Schrauben einen kleinen, gewindelosen Teil zwischen Kopfansatz und Gewinde.

 

Der lieferbare Werkstoff für DIN 927 Zapfenschrauben mit Schlitz ist Stahl 14 H.

Alle Angaben ohne Gewähr, Gewährleistung oder Haftung.


Version 3.24.2 - Servername: WEBAPP12


 
 Warenkorb
Zur Kasse | Drucken
 
Ihr Warenkorb ist leer

DIN 912 Zylinderschrauben, mit Innensechskant

DIN 912 Zylinderschrauben, mit Innensechskant
 
Artikel-Nr. 2524-073
Werkstoff STAHL 8.8 - verzinkt
Norm DIN 912
Abmessung M 6 x 12

Art. Senkkopf -Spanplattenschrauben Fräsrippen, Schneidkerbe, Innensechsrund (TX)

Art. Senkkopf -Spanplattenschrauben Fräsrippen, Schneidkerbe, Innensechsrund (TX)
 
Artikel-Nr. 4287-044
Werkstoff ROSTFREI A4
Norm Art. 81928
Abmessung 8 x 50 TX
Hier finden Sie das zuletzt angesehene Produkt
Unsere App - jetzt online!
NEU im Sortiment: Zusätzlich über 15.000 neue Kleinmengen
Zertifizierung

Kundenbewertungen (2.153)
So entstehen unsere Kundenbewertungen

Unsere Kundenbewertungen einschließlich der Sternebewertungen können nur nach Bestellabschluss erstellt werden.

Dadurch ist sichergestellt, dass unser Bestellprozess, unser Service sowie unsere Produkte von echten Kunden bewertet werden, die ihre Erfahrungen mit ihnen teilen möchten.


"Sehr gut ist, dass man nach DIN-Nummern suchen kann und vor allem, dass man sich die DIN-Tabellen herunterladen kann. Aus diesem Grund bestelle ich immer wieder hier, da das andere nicht bieten."
- Matthias Zander

"Wegertseder = Klasse Sortiment, übersichtlich, preiswert."
-

"Bestelle jetzt schon seit Jahren, noch nie eine Reklamation. Weiter so."
-

"Sehr freundlicher Kontakt mit Frau Stockbauer. Danke für die Hilfe."
-

"...wir kommen wieder :-)"
-

Unsere Cookie-Richtlinien

Wir nutzen Cookies, um unsere Seite für Sie bestmöglich zu gestalten und dauerhaft zu verbessern. Weitere Informationen erhalten Sie in unserer Datenschutzerklärung. Ohne Ihre Zustimmung werden nur technisch notwendige Cookies verwendet.
AKZEPTIEREN
ABLEHNEN